У вас отключен JavaScript! Некоторые функции сайта могут не работать.

DIN 28129 Гайка с кольцом под руку купить с доставкой
Быстрый заказ
Объявление

Мы ищем сотрудников!

Подробнее

Скрыть объявление

Характеристики / Таблица параметров / Купить

Тип изделия: Гайки
Направление: машиностроительный крепеж
Тип номенклатуры: гайки
Тип материала: A4 / Steel (сталь)
Тип покрытия: Zn (цинк) / без покрытия
Тип резьбы: метрическая
Вид упаковки: шт
Цена: от 21 268,04 руб. / шт

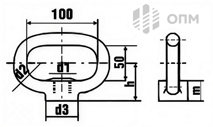
Гайка DIN 28129 с кольцом для крышки (под руку) с метрической резьбой. Элемент крепежа выполнен из стали и может быть оцинкован. Овальное кольцо, которым оснащена такая гайка, стабильно фиксирует крепление при установке. Кроме того, благодаря его наличию, удается обойтись из без использования гаечного ключа.

Область применения гайки DIN 28129 характеризуется наличием небольших нагрузок, а также необходимостью частого сбора/разбора соединений. Для этого и предусмотрено специальное кольцо.

Купить гайку стандарта DIN 28129 вы можете оптом в компании ОПМ. Для вас работает доставка по всем регионам. Постоянным клиентам – особые условия сотрудничества со специальными предложениями и индивидуальными ценами.


d1 d2 d3 h m
M12 12 30 45 22
M16 14 35 48 25
M20 16 40 50 28
M24 20 50 58 35
M27 20 50 58 35
M30 20 50 58 35

Наверх