У вас отключен JavaScript! Некоторые функции сайта могут не работать.

DIN 982 Гайка высокая с неметаллической вставкой - оптовые заказы
Быстрый заказ
Объявление

Мы ищем сотрудников!

Подробнее

Скрыть объявление

Характеристики / Таблица параметров / Купить

Тип изделия: Гайки
Направление: машиностроительный крепеж
Тип номенклатуры: шестигранные гайки
Тип материала: A2 / A2-70 / A4 / A4-80 / Steel (сталь)
Тип покрытия: Zn (цинк) / Zn black pass. / Zn yellow pass. / Zn-Ni (цинк-никель) / без покрытия / цинк-ламельное покрытие
Класс прочности/твердость: 10 / 5 / 6 / 8 / 8.8 / Gr5 / Gr8
Тип резьбы: дюймовая UNC / дюймовая UNF / мелкая метрическая / метрическая
Вид упаковки: шт
Цена: от 0,45 руб. / шт

Аналоги* стандарта

  • ISO 7040 Шестигранная гайка
  • ISO 10512 Гайка шестигранная с нейлоновым кольцом.

Аналоги DIN 982

ISO 7040 аналог DIN 982 фото
  • Цена:

    от 836,00 руб. / шт
  • 51 позиция

DIN EN ISO 7040 Шестигранная гайка с зажимным элементом с пластиковым кольцом DIN 6924

  • машиностроительный крепеж
  • Тип изделия:
    шестигранные гайки

*Употребление термина "Аналог” не означает 100% ее соответствие.

Во избежание недоразумений при приобретении изделий, уточняйте информацию у наших консультантов. Цены и вся информация на сайте носит справочный характер и не является публичной офертой.

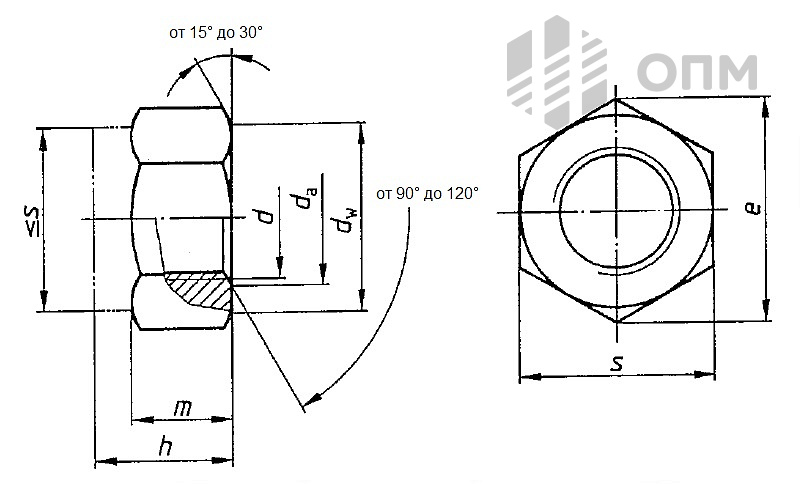
Гайка шестигранная высокая самоконтрящаяся DIN 982 разработана для формирования резьбовых соединений, устойчивых к саморазвинчиванию в условиях интенсивных вибраций. Особенность конструкции — встроенная неметаллическая вставка (как правило, нейлоновая), которая создаёт контролируемое трение, обеспечивая эффективное стопорение без дополнительного инструмента. Высокая форма увеличивает зону контакта резьбы, а шестигранный профиль позволяет использовать гаечные ключи. Разнообразие резьбы (метрическая, мелкая метрическая, дюймовая UNC или UNF) обеспечивает универсальность изделия.

Гайки DIN 982 применяются в машиностроении, строительстве, автомобильной и авиационной промышленности для крепления двигателей, редукторов, строительных конструкций и других высоконагруженных узлов, подверженных вибрациям, перепадам температур или агрессивным средам. Неметаллическая вставка обеспечивает долговременное стопорение. Изделие аналогично* стандартам ISO 7040 и ISO 10512 международных норм.

Производится изделие из углеродистой стали или высококачественных нержавеющих сталей марок A2, A2-70, A4, A4-80. Для стальных гаек доступны защитные покрытия: цинковое, цинковое с чёрной или жёлтой пассивацией (Zn black pass., Zn yellow pass.), цинк-никелевое или цинк-ламельное, а также вариант без покрытия для специфических условий. Широкий диапазон классов прочности (5, 6, 8, 10, 8.8, Gr5, Gr8) позволяет адаптировать изделие под любые механические нагрузки. Нержавеющая сталь обеспечивает коррозионную стойкость в условиях повышенной влажности или химической агрессии. Конструктивные параметры гайки разработаны для обеспечения стопорения и максимального удобства при монтаже.

Компания ОПМ реализует оптовые поставки гаек DIN 982 прямо со склада в Санкт-Петербурге. Доставляем по всей России. Наши опытные специалисты профессионально подберут размеры, материалы и типы покрытий с учётом особенностей ваших производственных процессов. Оформите заказ через удобную онлайн-форму на сайте или позвоните нам, чтобы получить детальные консультации по установке, подбору эквивалентов и комплексным техническим решениям.


Артикулы с 1 по 25 из 180
d d
с мелким шагом резьбы
e h m s
M4     6,01     7
M5     8,79 6,3 3,52 8
M6     11,05 8 3,92 9
M8 M8×1   14,38 9,5 5,15 13
M10 M10×1 M10×1,25 18,9 11,5 6,43 17
M12 M12×1 M12×1,5 21,1 14 8,3 19
M14 M14×1,5   24,49 16 9,68 22
M16 M16×1,5   26,75 18 11,28 24
M18 M18×1,5 M18×2 29,56 20 12,08 27
M20 M20×1,5 M20×2 32,95 22 13,52 30
M22 M22×2   35,03 25 14,48 32
M24 M24×2 M24×1,5 39,55 28 16,16 36
M27 M27×2          
M30            

Наверх