У вас отключен JavaScript! Некоторые функции сайта могут не работать.

ГОСТ 23353-78 Гайка накидная оптом в ОПМ
Быстрый заказ
Объявление

Мы ищем сотрудников!

Подробнее

Скрыть объявление

Характеристики / Таблица параметров / Купить

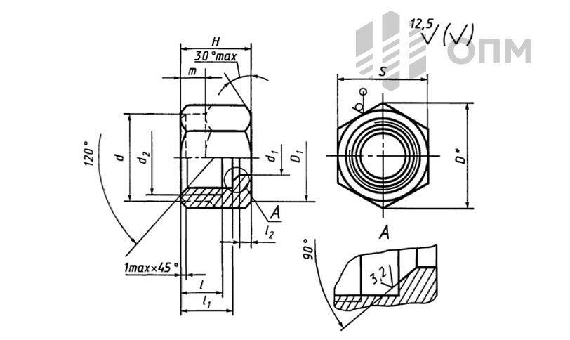
Тип изделия: Гайки
Направление: сантехнический крепеж
Тип номенклатуры: шестигранные гайки
Тип материала: Steel (сталь)
Тип покрытия: без покрытия
Тип резьбы: метрическая
Вид упаковки: шт

Формы исполнения

  • Исполнение 1: гайка для осевого монтажа
  • Исполнение 2: гайка для радиального монтажа

В компании ОПМ вы можете заказать накидные гайки ГОСТ 23353-78 оптом с доставкой. Изделия выполнены из стали, без покрытия, обладают метрической резьбой. Формы исполнения:

  • Исполнение 1: для осевого монтажа
  • Исполнение 2: для радиального монтажа

Артикулы с 1 по 5 из 5

Исполнение 1: для осевого монтажа

DN (Условный проход) Dн (Наружный диаметр трубы) Резьба (d2) S (Размер под ключ) H, мм (Высота) Исп. 1 / 2
2,5 4 M8x1 10 11,0 / -
3 5 M10x1 12 11,5 / -
4 6 M10x1 12 11,5 / -
6 8 M12x1,5 14 12,0 / -
4 6 M12x1,5 14 14,5 / -
6 8 M14x1,5 17 14,5 / -
8 10 M16x1,5 19 15,5 / -
10 12 M18x1,5 22 15,5 / -
12 15 / 16 M22x1,5 / M24x1,5 27 / 30 17,0 / 27,0
15 18 M26x1,5 32 18,0 / 29,0
20 22 M30x2 36 20,0 / 31,5
25 28 M36x2 41 21,0 / 32,0
32 34 / 35 M45x2 50 24,0 / 37,5
40 42 M52x2 60 24,0 / 38,0

Исполнение 2: для радиального монтажа

DN (Условный проход) Dн (Наружный диаметр трубы) Резьба (d2) S (Размер под ключ) H, мм (Высота) Исп. 1 / 2
3 6 M14x1,5 17 16,5 / -
4 8 M16x1,5 19 16,5 / -
5 10 M18x1,5 22 17,5 / 27,0
6 12 M20x1,5 24 18,5 / 27,5
8 14 M22x1,5 27 19,5 / 29,5
10 16 M24x1,5 30 21,0 / 31,5
12 20 M30x2 36 24,0 / 36,5
15 25 M36x2 46 27,0 / 41,5
20 30 M42x2 50 29,0 / 46,5
25 38 M52x2 60 32,5 / 52,0
32 45 M60x2 70 36,0 / -
40 57 M72x2 85 40,0 / -
50 76 M90x2 105 45,0 / -

Наверх