У вас отключен JavaScript! Некоторые функции сайта могут не работать.

Гайка Vargal - заказать с доставкой по Санкт-Петербургу
Быстрый заказ
Объявление

Мы ищем сотрудников!

Подробнее

Скрыть объявление

Характеристики / Таблица параметров / Купить

Артикул ОПМ 103022

Тип изделия: Гайки
Направление: машиностроительный крепеж
Тип номенклатуры: шестигранные гайки
Тип материала: Steel (сталь)
Тип покрытия: Zn (цинк)
Класс прочности/твердость: 8
Вид упаковки: шт
Цена: от 508,42 руб. / шт

Формы исполнения

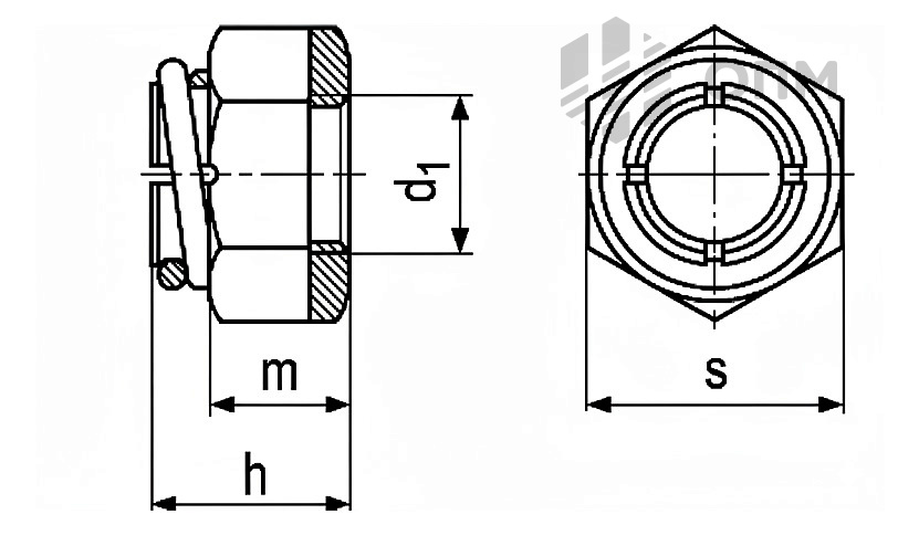
  • Конструкция гайки предусматривает наличие пружины из нержавеющей стали.

Стальная гайка шестигранная Vargal самоконтрящаяся цельнометаллическая, двухэлементная. Гайка выполнена из стали, классом прочности 8, пружина выполнена из нержавеющей стали без покрытия.


Артикулы с 1 по 14 из 14
d1 h max m s
M5 6.3 4 8
M6 8.2 4.5 10
M8 10.8 6.7 13
M10 12.6 8 17
M12 16 10.6 19
M14 18 12 22
M16 20.6 13.5 24
M18 22.5 14.5 27
M20 25.5 16.9 30
M22 29.8 20.5 32
M24 29.9 20.6 36
M27 33.7 24.3 41
M30 37 26.6 46
M33 40.5 28.8 50
M36 44.2 31.5 55

Наверх