У вас отключен JavaScript! Некоторые функции сайта могут не работать.

ISO 8748 Штифт спиральный оптом в ОПМ
Быстрый заказ
Объявление

Мы ищем сотрудников!

Подробнее

Скрыть объявление

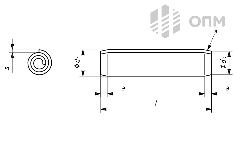
Характеристики / Таблица параметров / Купить

Тип изделия: Штифты
Направление: машиностроительный крепеж
Тип номенклатуры: штифты
Тип материала: Steel (сталь)
Тип покрытия: без покрытия
Класс прочности/твердость: 420 HV
Вид упаковки: шт
Цена: от 32,64 руб. / шт

Аналоги* стандарта

  • DIN 7344 Штифт разрезной

Аналоги ISO 8748

DIN 7344 аналог ISO 8748 фото
  • Цена:

    от 1 102,00 руб. / шт
  • 35 позиций

DIN 7344 Штифт разрезной

  • машиностроительный крепеж
  • Тип изделия:
    штифты

*Употребление термина "Аналог” не означает 100% ее соответствие.

Во избежание недоразумений при приобретении изделий, уточняйте информацию у наших консультантов. Цены и вся информация на сайте носит справочный характер и не является публичной офертой.

Предлагаем оптом с доставкой стальные спиральные штифты ISO 8748. Изделие является аналогом* разрезного штифта DIN 7344.


Артикулы с 1 по 2 из 2
d1 1,5 2 2,5 3 3,5 4 5 6 8 10 12 14 16 20
d1 перед установкой (максимум) 1,71 2,21 2,73 3,25 3,79 4,30 5,35 6,40 8,55 10,65 12,75 14,85 16,9 21,0
d1 перед установкой (минимум) 1,61 2,11 2,62 3,12 3,64 4,15 5,15 6,18 8,25 10,30 12,35 14,40 16,4 20,4
d2 перед установкой (максимум) 1,4 1,9 2,4 2,9 3,4 3,9 4,85 5,85 7,8 9,75 11,7 13,6 15,6 19,6
a 0,5 0,7 0,7 0,9 1 1,1 1,3 1,5 2 2,5 3 3,5 4 4,5
s 0,17 0,22 0,28 0,33 0,39 0,45 0,56 0,67 0,9 1,1 1,3 1,6 1,8 2,2
kN a 1,9 3,5 5,5 7,6 10 13,5 20 30 53 84 120 165 210 340
kN b 1,45 2,5 3,8 5,7 7,6 10 15,5 23 41 64 91 - - -
l
4 v v
5 v v v
6 v v v v v
8 v v v v v v
10 v v v v v v v
12 v v v v v v v v
14 v v v v v v v v
16 v v v v v v v v v
18 v v v v v v v v v
20 v v v v v v v v v v
22 v v v v v v v v v v
24 v v v v v v v v v v v
26 v v v v v v v v v v v
28 v v v v v v v v v v v
30 v v v v v v v v v v v
32 v v v v v v v v v v v
35 v v v v v v v v v v v v
40 v v v v v v v v v v v v
45 v v v v v v v v v v v v
50 v v v v v v v v v v v
55 v v v v v v v v v
60 v v v v v v v v v
65 v v v v v v v
70 v v v v v v v
75 v v v v v v v
80 v v v v v v
85 v v v v v v
90 v v v v v v
95 v v v v v v
100 v v v v v v
120 v v v v v v
140 v v v v
160 v v v v
180 v v v

Наверх