DIN 908 Пробка резьбовая
Характеристики / Таблица параметров / Купить
| Тип изделия: | Специальный нестандартный крепеж |
| Направление: | машиностроительный крепеж |
| Тип номенклатуры: | резьбовые пробки |
| Тип материала: | A2 / A4 / Ms (латунь) / Steel (сталь) |
| Тип покрытия: | Zn (цинк) / без покрытия / цинк-ламельное покрытие |
| Класс прочности/твердость: | 5.8 |
| Тип резьбы: | дюймовая UNF / мелкая метрическая |
| Вид упаковки: | шт |
| Цена: | от 22,24 руб. / шт |
Формы исполнения
- Пробка с цилиндрической резьбой
- Пробка с трубной резьбой.
Аналоги* стандарта
- ОСТ 2С98-4-73 Пробка-цилиндр с фланцем резьбовая.
Пробка резьбовая DIN 908 предназначена для использования в машиностроении и других сферах, где требуется герметизация отверстий с резьбой. Этот вид крепежа имеет внутренний шестигранник, что позволяет надежно фиксировать пробку в резьбовом соединении. Пробки могут изготавливаться с цилиндрической или трубной резьбой, что расширяет их сферу применения в различных технических узлах и системах.
Материалы изготовления включают сталь, нержавеющую сталь марок A2 и A4, а также латунь. Для защиты от коррозии и повышения эксплуатационных характеристик изделия могут иметь цинковое или цинк-ламельное покрытие, либо поставляться без покрытия. Продукция соответствует классу прочности 5.8.
Компания ОПМ предлагает резьбовые пробки DIN 908 в различных исполнениях. Мы поддерживаем постоянное наличие продукции на складе в Санкт-Петербурге, а также обеспечиваем доставку по всей России. Подробную информацию о характеристиках изделий вы найдете в каталоге. Для консультации и оформления заказа свяжитесь с нашими специалистами.
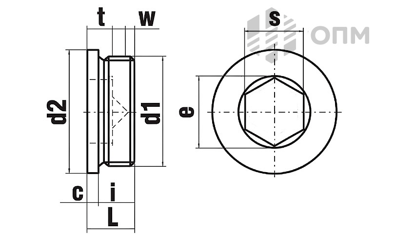
| d1 | e | d2 | i +/-0,2 | L | s | t min |
| M8×1 | 3 | 14 | 8 | 11 | 5 | 5 |
| M10×1 | 3 | 14 | 8 | 11 | 5 | 5 |
| M12×1,5 | 3 | 17 | 12 | 15 | 6 | 7 |
| M14×1,5 | 3 | 19 | 12 | 15 | 6 | 7 |
| M16×1,5 | 3 | 21 | 12 | 15 | 8 | 7,5 |
| M18×1,5 | 4 | 23 | 12 | 16 | 8 | 7,5 |
| M20×1,5 | 4 | 25 | 14 | 18 | 10 | 7,5 |
| M22×1,5 | 4 | 27 | 14 | 18 | 10 | 7,5 |
| M24×1,5 | 4 | 29 | 14 | 18 | 12 | 7,5 |
| M26×1,5 | 4 | 31 | 16 | 20 | 12 | 9 |
| M27×2 | 4 | 32 | 16 | 20 | 12 | 9 |
| M30×1,5 | 4 | 36 | 16 | 20 | 17 | 9 |
| M30×2 | 4 | 36 | 16 | 20 | 17 | 9 |
| M33×1,5 | 5 | 39 | 16 | 21 | 17 | 9 |
| M33×2 | 5 | 39 | 16 | 21 | 17 | 9 |
| M36×1,5 | 5 | 42 | 16 | 21 | 19 | 10,5 |
| M36×2 | 5 | 42 | 16 | 21 | 19 | 10,5 |
| M38×1,5 | 5 | 44 | 16 | 21 | 19 | 10,5 |
| M39×2 | 5 | 46 | 16 | 21 | 19 | 10,5 |
| M42×1,5 | 5 | 49 | 16 | 21 | 22 | 10,5 |
| M42×2 | 5 | 49 | 16 | 21 | 22 | 10,5 |
| M45×1,5 | 5 | 52 | 16 | 21 | 22 | 10,5 |
| M45×2 | 5 | 52 | 16 | 21 | 22 | 10,5 |
| M48×1,5 | 5 | 55 | 16 | 21 | 24 | 10,5 |
| M48×2 | 5 | 55 | 16 | 21 | 24 | 10,5 |
| M52×1,5 | 5 | 60 | 16 | 21 | 24 | 10,5 |
| M52×2 | 5 | 60 | 16 | 21 | 24 | 10,5 |
| M56×2 | 5 | 64 | 20 | 25 | 32 | 14 |
| M60×2 | 5 | 68 | 20 | 25 | 32 | 14 |
| M64×2 | 5 | 72 | 20 | 25 | 32 | 14 |