ГОСТ 16040-70 Ниппель припайной полусферический
Характеристики / Таблица параметров / Купить
| Тип изделия: | Специальный нестандартный крепеж |
| Направление: | приварной крепеж |
| Тип номенклатуры: | ниппели |
| Тип материала: | Steel (сталь) |
| Тип покрытия: | без покрытия |
| Вид упаковки: | шт |
| Цена: | от 1 838,25 руб. / шт |
Вы можете заказать оптом ГОСТ 16040-70 ниппель полусферический припайной. Изделие выполнено из стали и предназначено для соединений трубопроводов по внутреннему конусу.
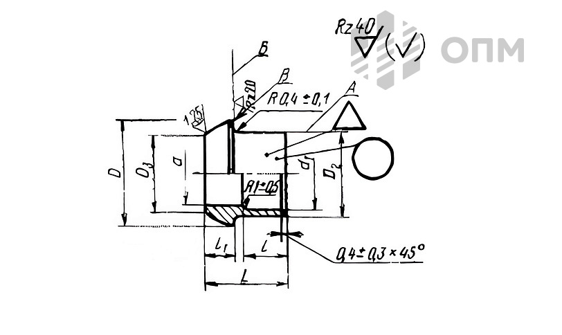
| Наружный диаметр труб Dн | d | d₁ по B11 / по A11 | D | D₁ по Б11 | Dₐ | l | l₁ (±0,2) | L (±0,4) |
| 6 | 4 | 6 / 11,5 | 11,5 | 8,5 | 5,5 | 6 | 6,5 | 15 |
| 8 | 6 | 8 / 13,5 | 13,5 | 10,5 | 7,5 | 6 | 6,5 | 15 |
| 10 | 8 | 10 / 15,5 | 15,5 | 12,5 | 9,5 | 8 | 7,0 | 18 |
| 12 | 10 | 12 / 17,5 | 17,5 | 14,5 | 11,5 | 8 | 7,5 | 18 |
| 14 | 12 | 14 / 19,5 | 19,5 | 16,5 | 13,5 | 8 | 7,5 | 18 |
| 16 | 14 | 16 / 21,5 | 21,5 | 18,5 | 15,5 | 10 | 8,0 | 21 |
| 18 | 16 | 18 / 24,0 | 24,5 | 21,0 | 17,5 | 10 | 8,0 | 21 |
| 20 | 18 | 20 / 27,5 | 28,0 | 23,0 | 21,5 | 10 | 8,0 | 23 |
| 22 | 20 | 22 / 30,0 | 30,5 | 25,0 | 23,0 | 10 | 8,5 | 23 |
| 24 | 22 | 24 / 30,5 | 31,0 | 27,0 | 23,5 | 12 | 8,5 | 23 |
| 25 | 23 | 25 / 32,5 | 33,0 | 28,0 | 25,0 | 12 | 8,5 | 23 |
| 28 | 26 | 28 / 35,5 | 36,0 | 31,0 | 28,0 | 12 | 8,5 | 24 |
| 30 | 28 | 30 / 36,5 | 38,0 | 33,0 | 29,5 | 12 | 8,5 | 24 |
| 32 | 30 | 32 / 39,0 | 41,0 | 35,0 | 32,0 | 12 | 8,5 | 24 |
| 34 | 32 | 34 / 42,0 | 44,0 | 37,0 | 34,0 | 12 | 8,5 | 24 |
| 36 | 34 | 36 / 45,0 | 47,0 | 39,0 | 37,5 | 14 | 9,0 | 26 |
| 38 | 36 | 38 / 45,5 | 47,0 | 41,0 | 38,0 | 14 | 9,0 | 26 |