ОСТ 4Г0.822.007 Втулка резьбовая развальцовочная
Характеристики / Таблица параметров / Купить
| Тип изделия: | Втулки и резьбовые вставки |
| Направление: | машиностроительный крепеж |
| Тип номенклатуры: | резьбовые втулки |
| Тип материала: | 20X13 / Steel (сталь) |
| Тип покрытия: | Cd (кадмий) / Zn (цинк) / Хим. Пас. |
| Вид упаковки: | шт |
| Цена: | от 54,62 руб. / шт |
Втулка по ОСТ 4Г0.822.007 обеспечивает устойчивость к механическим нагрузкам и предотвращает ослабление соединений, что делает ее подходящим выбором для ответственных конструкций.
Особенности:
- Материал: изготавливается из углеродистой стали с защитным покрытием, что дает устойчивость к коррозии.
- Конструкция: развальцовочная конструкция втулки обеспечивает эффективное фиксирование в материале, предотвращая вращение и ослабление соединения под воздействием нагрузок.
Втулки по ОСТ 4Г0.822.007 доступны на складе компании ОПМ в Санкт-Петербурге по оптовым ценам. Свяжитесь с нами для получения дополнительной информации по подбору параметров изделия. Мы доставляем продукцию по всей России.
| ОСТ 4Г 0.822.007 | ЮПИЯ | Втулка резьбовая ввертываемая с внутренней и внешней резьбой | Материал |
| БА9.110.146 | ЮПИЯ.713263.001 | без буртика | нержавеющая сталь |
| БА9.110.147 | ЮПИЯ.713263.002 | без буртика | оцинкованная сталь |
| БА9.110.148 | ЮПИЯ.713263.003 | без буртика | кадмированная сталь |
| БА8.226.343 | ЮПИЯ.713263.004 | с буртиком | нержавеющая сталь |
| БА8.226.344 | ЮПИЯ.713263.005 | с буртиком | оцинкованная сталь |
| БА8.226.345 | ЮПИЯ.713263.006 | с буртиком | кадмированная сталь |
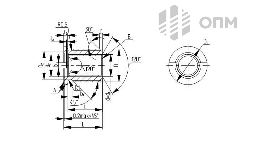
Втулка без буртика
| Обозначение втулок | d | d1 H14 | d2 | D | l ±IT14/2 | l1 ±IT14/2 | L h14 | b H14 | C ±IT14/2 | C1 | Масса втулок, г | |||
| из нержавеющей стали | из углеродистой стали | номинал | пред. откл. | |||||||||||
| пассивированных | цинкованных | кадмированных | ||||||||||||
| БА9.110.146 | БА9.110.147 | БА9.110.148 | М2.5 | 2.5 | 2.6 | Н14 | М5 | 4.5 | 1.7 | 6.0 | 1.0 | 1.0 | 0.45 | 0.7 |
| -01 | -01 | М3 | 3.0 | 3.3 | +0.30 | М6 | 0.60 | |||||||
| -02 | -02 | М4 | 4.0 | 4.3 | М8 | 6.0 | 2.2 | 8 | 1.2 | 1.6 | 0.75 | 2.0 | ||
| -03 | -03 | М5 | 5.0 | 5.1 | +0.16 | 8.0 | 10.0 | 1.6 | 3.3 | |||||
| -04 | -04 | М6 | 6.0 | 6.5 | Н14 | М10 | 0.90 | 2.8 | ||||||
| -05 | -05 | М8 | 8.0 | 8.5 | М12*1.25 | 11.0 | 3.2 | 14.0 | 2.0 | 0.75 | 4.8 | |||
| -06 | -06 | М10 | 10.0 | 10.7 | +0.43 | М16*1.5 | 13.0 | 16.0 | 2.5 | 0.90 | 13.2 | |||
| -07 | -07 | М12 | 12.0 | 12.7 | М18*1.5 | 15.0 | 18.0 | 3.0 | 17.8 | |||||
| -08 | -08 | М16 | 16.0 | 16.5 | Н14 | М24*2 | 21.0 | 24.0 | 4.0 | 2.0 | 1.20 | 41.3 | ||
Втулка с буртиком
| Обозначение втулок | d | d1 H14 | d2 | D | D1 h14 | D2 | l ±IT14/2 | l1 | l2 ±IT14/2 | L H14 | b H14 | b1 ±IT15/2 | C ±IT14/2 | Масса втулок, г | ||||
| из нержавеющей стали | из углеродистой стали | номин. | пред. откл. | номин. | пред. откл. | |||||||||||||
| пассиви-рованных | цинко-ванных | кадмиро-ванных | ||||||||||||||||
| БА8.226.343 | БА8.226.344 | БА8.226.345 | М2.5 | 2.5 | 2.6 | Н14 | М5 | 7.0 | 3.8 | -0.30 | 6.5 | 0.5 | 1.7 | 8.0 | 1.0 | 2.0 | 1.0 | 1.3 |
| -01 | -01 | М3 | 3.0 | 3.3 | +0.30 | М6 | 8.0 | 4.5 | 1.2 | |||||||||
| -02 | -02 | М4 | 4.0 | 4.3 | М8 | 10.0 | 6.2 | -0.36 | 8.0 | 0.7 | 2.0 | 10.0 | 1.2 | 2.5 | 1.6 | 2.6 | ||
| -03 | -03 | М5 | 5.0 | 5.4 | М10 | 13.0 | 7.8 | 10.0 | 12.0 | 1.6 | 4.7 | |||||||
| -04 | -04 | М6 | 6.0 | 6.5 | Н14 | |||||||||||||
| -05 | -05 | М8 | 8.0 | 8.5 | М12*1.25 | 16 | 10.2 | -0.43 | 11.0 | 1.0 | 2.8 | 14.0 | 2.0 | 8.0 | ||||
| -06 | -06 | М10 | 10.0 | 10.7 | +0.43 | М16*1.5 | 20 | 13.8 | 17.0 | 20.0 | 2.5 | 19.7 | ||||||
| -07 | -07 | М12 | 12.0 | 12.7 | М18*1.5 | 22 | 15.8 | 19.0 | 22.0 | 3.0 | 25.4 | |||||||
| -08 | -08 | М16 | 16.0 | 16.5 | Н14 | М24*2 | 28 | 21.0 | -0.52 | 25.0 | 28.0 | 4.0 | 3.0 | 2.0 | 54.7 | |||