DIN 660 Заклепка с полукруглой головкой
Характеристики / Таблица параметров / Купить
| Тип изделия: | Заклепки |
| Направление: | строительный крепеж |
| Тип номенклатуры: | заклепки |
| Тип материала: | A2 / A4 / Al (алюминий) / Cu (медь) / Ms (латунь) / Steel (сталь) |
| Тип покрытия: | Cd (кадмий) / Cu-Ni (медь-никель) / Ni (никель) / Zn (цинк) / Zn yellow pass. / без покрытия |
| Вид упаковки: | шт |
| Цена: | от 0,31 руб. / шт |
Аналоги* стандарта
- ГОСТ 10299-80 - Заклепка с полукруглой головкой
- ISO 1051 Забивная заклепка под молоток.
Аналоги DIN 660
ГОСТ 10299-80 Заклепка с полукруглой головкой класса точности B и С
- строительный крепеж
- Тип изделия:
заклепки
*Употребление термина "Аналог” не означает 100% ее соответствие.
Во избежание недоразумений при приобретении изделий, уточняйте информацию у наших консультантов. Цены и вся информация на сайте носит справочный характер и не является публичной офертой.
Заклепка DIN 660 применяется для создания неразъемных соединений в конструкциях, подвергающихся механическим нагрузкам. Используется в машиностроении, строительстве, судостроении и авиационной отрасли. Фиксация выполняется путем деформации стержня внутри отверстия с образованием закладной головки, что обеспечивает жесткость и устойчивость соединения.
Изготавливается заклепка из алюминия, меди, латуни, нержавеющей и углеродистой стали. Для стальных изделий возможно нанесение защитного покрытия, включая цинк, никель, медно-никелевый или кадмиевый слой. Материал заклепки подбирается с учетом условий эксплуатации, требований к коррозионной стойкости и прочностным характеристикам.
Компания ОПМ предлагает заклепки DIN 660 оптом. В наличии изделия различных материалов и покрытий. Доставка возможна со склада в Санкт-Петербурге по всей России.
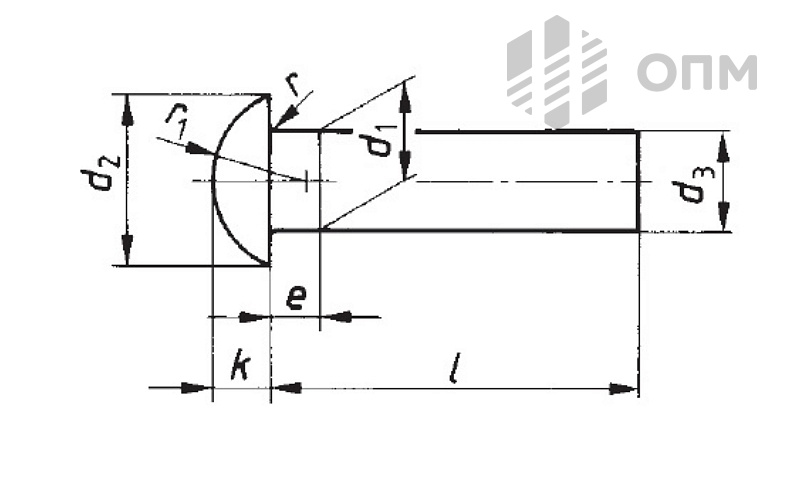
| d1 | 2 | 2,5 | 3 | 4 | 5 | 6 | 7 | 8 |
| d2 | 3,5 | 4,4 | 5,2 | 7 | 8,8 | 10,5 | 12,2 | 14 |
| d3 | 1,87 | 2,37 | 2,87 | 3,87 | 4,82 | 5,82 | 6,82 | 7,76 |
| e max | 1 | 1,25 | 1,5 | 2 | 2,5 | 3 | 3,5 | 4 |
| k | 1,2 | 1,5 | 1,8 | 2,4 | 3 | 3,6 | 4,2 | 4,8 |
| 6 | v | v | v | v | v | v | ||
| 8 | v | v | v | v | v | v | ||
| 10 | v | v | v | v | v | v | v | |
| 12 | v | v | v | v | v | v | v | v |
| 16 | v | v | v | v | v | v | v | v |
| 20 | v | v | v | v | v | v | v | v |
| 25 | v | v | v | v | v | v | ||
| 30 | v | v | v | v | v | v | v | v |
| 35 | v | v | v | v | v | v | ||
| 40 | v | v | v | v | v | v | ||
| 45 | v | v | v | v | v | |||
| 50 | v | v | v | v | v | |||
| 55 | v | v | v | v | ||||
| 60 | v | v | v | v |