ГОСТ 14799-85 Заклепка с потайной головкой
Характеристики / Таблица параметров / Купить
| Тип изделия: | Заклепки |
| Направление: | машиностроительный крепеж |
| Тип номенклатуры: | заклепки |
| Тип материала: | Al (алюминий) / Steel (сталь) |
| Тип покрытия: | без покрытия |
| Вид упаковки: | кг / шт |
| Цена: | от 0,53 руб. / шт |
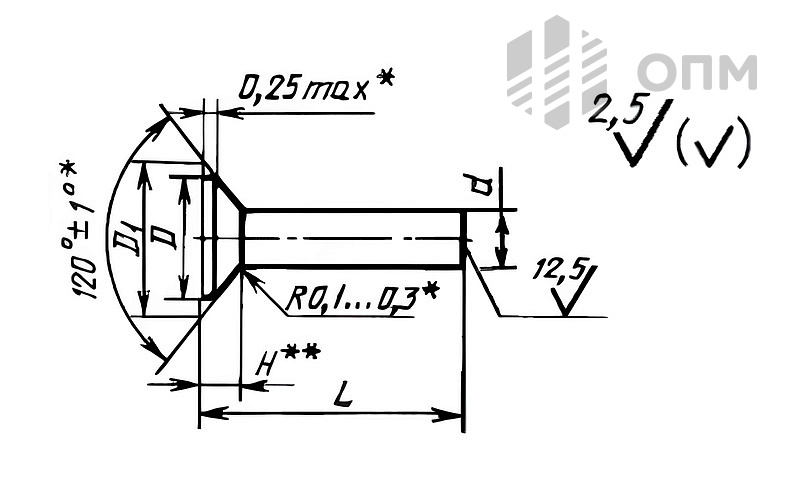
Заклепки ГОСТ 14799-85 с потайной головкой (угол 120°, повышенной точности). Тип материала может быть алюминий или сталь без покрытия. Для оптовых заявок вам необходимо связаться с нашими специалистами по телефонам или при помощи форм обратной связи на сайте.
| Параметр | Диаметр стержня d | |||||
| 2,6 | 3,0 | 3,5 | 4,0 | 5,0 | 6,0 | |
| Диаметр головки D, не менее | 5,2 | 5,9 | 6,7 | 7,6 | 9,3 | 11,3 |
| Диаметр головки D₁, не более | 6,06 | 6,81 | 7,65 | 8,50 | 10,19 | 12,33 |
| Высота головки H | 1,0 | 1,1 | 1,2 | 1,3 | 1,5 | 1,8 |
| Длина заклепки L | ||||||
| 4 | ✓ | |||||
| 5 | ✓ | ✓ | ||||
| 6 | ✓ | ✓ | ✓ | ✓ | ||
| 7 | ✓ | ✓ | ✓ | ✓ | ||
| 8 | ✓ | ✓ | ✓ | ✓ | ✓ | |
| 9 | ✓ | ✓ | ✓ | ✓ | ✓ | |
| 10 | ✓ | ✓ | ✓ | ✓ | ✓ | ✓ |
| 11 | ✓ | ✓ | ✓ | ✓ | ✓ | ✓ |
| 12 | ✓ | ✓ | ✓ | ✓ | ✓ | ✓ |
| 13 | ✓ | ✓ | ✓ | ✓ | ✓ | ✓ |
| 14 | ✓ | ✓ | ✓ | ✓ | ✓ | ✓ |
| 15 | ✓ | ✓ | ✓ | ✓ | ✓ | ✓ |
| 16 | ✓ | ✓ | ✓ | ✓ | ✓ | ✓ |
| 17 | ✓ | ✓ | ✓ | ✓ | ✓ | ✓ |
| 18 | ✓ | ✓ | ✓ | ✓ | ✓ | ✓ |
| 19 | ✓ | ✓ | ✓ | ✓ | ✓ | ✓ |
| 20 | ✓ | ✓ | ✓ | ✓ | ✓ | ✓ |
| 22 | ✓ | ✓ | ✓ | ✓ | ✓ | |
| 24 | ✓ | ✓ | ✓ | ✓ | ✓ | |
| 26 | ✓ | ✓ | ✓ | ✓ | ||
| 28 | ✓ | ✓ | ✓ | ✓ | ||
| 30 | ✓ | ✓ | ✓ | |||
| 32 | ✓ | ✓ | ✓ | |||
| 34 | ✓ | ✓ | ||||
| 36 | ✓ | ✓ | ||||
| 38 | ✓ | ✓ | ||||
| 40 | ✓ | |||||